电机软启动器-电机软启动器的工作原理
科技的进步使很多产业都实现了机械化,相信大家对自动化设备多多少少都了解一下,今天自动化设备网小编在这里为大家介绍电机软启动器的一些基础知识,希望能给大家带来一些帮助。
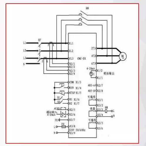
原发布者:可乐雪碧芬达5812v直流电机软起动电路。
什么叫做“软起动”,他的作用是什么?
“软起动”是电机软启动器,作用是能有效地限制交流异步电动机起动时的起动电流。软启动和硬启动的区别。
软起动(又称软启动器,电机软起动器,软起动器)
电动机软起动是通过采用降压、补偿或变频等技术手段,实现电动机及机械负载的平滑起动,减少起动电流对电网的影响程度,使电网和机械系统得以保护。
电动机软起动器本身并不节能,第一它不是用电设备,只是简单功能产品,实现电动机软起动;第二它是短时工作,起动结束后就退出。软启动器晶闸管。
但电动机软起动技术的应用可以实现拖动系统节能:电机软启动器原理图。
1、降低电机起动对电力系统的要求,电力变压器选用可保证始终运行在经济运行区,降低电力变压器运行损耗,从而节能。电机软启动器
2、电动机起动问题交由软起动装置来解决,避免大马拉小车现象。

电机软启动器:电动机软起动器的作用是什么
我们知道电动机的直接启动电流时额定电流的4到7倍,那么如果电机的功率比较小,那么对电网的影响不是很大,那么我们就允许它直接启动,一般电动机功率在7.5KM以下都是允许直接启动的,但是对于大型电机,功率特别的大,那么就不允许它直接启动,如果他的额定电流是100A ,那么他在启动的瞬间电流可以达到好几百安,这么大的电流对电网的冲击是非常的大的,会影响同一电网所带其他负载的正常工作,这种情况我们经常可以看到,比如某一大型负载启动的瞬间等泡会变暗等,我们在家有时候也会存在这种情况,比如开电视机的时候,灯泡有时候就会突然间暗了一下,同样还因为负载的启动电流太大,对电机绕组的绝缘也是极为不利的,所以对于大型电机一般都要实行软启动,所谓软启动就是在启动初期我们给他加的电压要低于额定电压,常见的软启动有软启动器启动和自耦变压器降 压启动,自耦变压器降压启动在电机启动的初期先给它加上为额定电压60%到80%的一个电压,先让其运动起来,当转动起来以后,再给他切换到额定电压下工作,这就是一个简单的软启动过程,而软启动器要比自耦变压器降压启动要先进些,其原理都是一样的,软启动器给电动机的电压时从0逐渐到额定电压的,他的启动过程更为平滑,启动效果更好,对电网冲击和对绕组的伤害也是最小的,要优于自耦变压器降压启动!!这就是软启动器在工业应用的优势所在!!
直接回答你的问题就是:他的作用是用作大型电动机的启动!!软启动是什么意思。
以上就是关于电机软启动器:电机软启动器的工作原理的内容,如果您对自动化设备有疑问或者有购买意向,可以直接向我们提问以及购买,自动化设备网小编期待您的来电咨询。
标题:电机软启动器-电机软启动器的工作原理 地址:http://www.zgshouguang.cn/article/813.html
